Máy Lọc Nước RO Công Nghiệp (BLW)
♦ Công suất lọc đa dạng: từ 150L/h đến 100.000L/h – tùy chỉnh theo nhu cầu
♦ Nguồn nước đầu ra tinh khiết, đạt chuẩn nước uống đóng chai
♦ Màng lọc RO cao cấp, loại bỏ 99% vi khuẩn, kim loại, muối khoáng
♦ Vận hành tự động hoàn toàn, tích hợp các cơ chế bảo vệ áp suất
♦ Phù hợp đa dạng ứng dụng: sản xuất nước uống, dược phẩm, điện tử, mạ kim loại
♦ Linh kiện cao cấp: bơm trục đứng, tủ điện điều khiển, khung inox chống gỉ
- Chi tiết
- Đánh giá
MÁY LỌC NƯỚC RO CÔNG NGHIỆP BLW – GIẢI PHÁP NƯỚC TINH KHIẾT HIỆU QUẢ CHO DOANH NGHIỆP
Máy lọc nước RO công nghiệp BLW là lựa chọn hàng đầu cho các cơ sở sản xuất, nhà máy, phòng thí nghiệm, bệnh viện... cần nguồn nước tinh khiết với công suất lớn. Ứng dụng công nghệ lọc RO thẩm thấu ngược hiệu suất cao, hệ thống không chỉ loại bỏ gần như hoàn toàn tạp chất, vi khuẩn, kim loại nặng mà còn đảm bảo nguồn nước đầu ra đạt chuẩn QCVN 6-1:2010/BYT – có thể uống trực tiếp tại vòi.

1. ỨNG DỤNG RỘNG RÃI
Đáp ứng tiêu chuẩn nước uống trực tiếp
Với công nghệ lọc RO tiên tiến, máy lọc nước RO công nghiệp BLW tạo ra nước tinh khiết có thể uống trực tiếp tại vòi, không cần đun sôi, hoàn toàn an toàn cho người dùng.
Nước đầu ra đạt chuẩn nước uống đóng chai QCVN 6-1:2010/BYT.
Sử dụng linh hoạt trong nhiều lĩnh vực
Máy được ứng dụng rộng rãi trong:
♦ Ngành thực phẩm, nước uống: Sản xuất nước đóng chai, nước đá tinh khiết
♦ Ngành dược phẩm, y tế: Pha chế, rửa thiết bị y tế
♦ Ngành điện tử, mạ kim loại: Làm sạch, xử lý linh kiện
♦ Tháp giải nhiệt, nồi hơi, phòng thí nghiệm, xử lý nước thải, EDI...
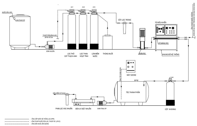
2. HỆ THỐNG LỌC TỐI ƯU VỚI CÔNG NGHỆ RO HIỆU SUẤT CAO
Nguyên lý hoạt động RO thẩm thấu ngược
Máy sử dụng máy bơm áp lực cao đẩy nước qua màng lọc RO chứa các lỗ siêu nhỏ (0.0001 micron).
Nước tinh khiết đi qua màng, trong khi các tạp chất như muối khoáng, vi khuẩn, virus, kim loại nặng, thuốc trừ sâu... bị giữ lại và thải ra ngoài. Kết quả thu được là nguồn nước đầu ra sạch, an toàn tuyệt đối.
Dải công suất linh hoạt
Máy có khả năng tùy chỉnh công suất từ 150 lít/giờ đến 100.000 lít/giờ, đáp ứng linh hoạt cho từng mô hình sản xuất, quy mô doanh nghiệp hoặc nhu cầu xử lý nước thực tế.

3. CẤU TẠO CHẮC CHẮN VỚI LINH KIỆN CAO CẤP, ĐỘ BỀN VƯỢT TRỘI
Linh kiện tiêu chuẩn cao
♦ Khung inox hoặc thép không gỉ chắc chắn
♦ Bơm trục đứng Inox chịu áp cao, chống ăn mòn
♦ Tủ điều khiển điện cao cấp, vận hành tự động
♦ Đồng hồ lưu lượng, đồng hồ áp suất điện tử
♦ Bộ lọc thô PP 20 inch, lọc tạp chất cơ bản
♦ Cột lọc than hoạt tính, cát thạch anh, hạt làm mềm
♦ Màng lọc RO hiệu suất cao, vỏ màng inox hoặc FRP
♦ Ozon, đèn UV diệt khuẩn, lọc sạch vi sinh vật gây bệnh
Tùy chọn mở rộng thêm theo nhu cầu
♦ Cột tạo khoáng, bộ đo TDS online
♦ Hệ thống CIP tự động sục rửa
♦ Hệ thống châm hóa chất bảo vệ màng RO
♦ Bộ điều khiển thông minh: PLC, HMI, biến tần
♦ Hệ thống xử lý chuyên sâu: khử Ion DI, EDI...
5. LƯU Ý KHI SỬ DỤNG HỆ THỐNG
♦ Mở hoàn toàn van trước khi khởi động máy
♦ Không vận hành máy quá áp để tránh hỏng màng RO
♦ Định kỳ bổ sung muối để tái sinh hạt trao đổi ion
♦ Vệ sinh lõi lọc thô và cột áp lực định kỳ
♦ Theo dõi thông số áp suất, lưu lượng hàng ngày để kịp thời xử lý sự cố
LIÊN HỆ MUA HÀNG CHÍNH HÃNG
Kim An hiện là Kênh phân phối lớn hàng đầu về Lọc Tổng Đầu Nguồn Chính Hãng Karofi. Nếu có bất kì thắc mắc nào về các sản phẩm Karofi, đừng chần chờ mà hãy liên hệ ngay để được tư vấn và hỗ trợ đặt hàng!
Đánh giá Máy Lọc Nước RO Công Nghiệp (BLW)
| Thông số | Giá trị |
|---|---|
| Công suất lọc | 150 – 100.000 L/h (theo yêu cầu) |
| TDS nước cấp | 0 – 2.000 ppm |
| Áp suất hoạt động | 150 – 250 psi |
| Áp lực nước cấp | 40 – 80 psi |
| pH nước cấp phù hợp | 3 – 11 |
| Nhiệt độ nước cấp tối đa | 42°C |
| Hàm lượng Fe tối đa | 0.05 ppm |
| Hàm lượng Silica tối đa | 25 ppm |
| Nguồn điện | 220V(1P) hoặc 380V(3P) – 50Hz |
| Bảo hành | 12 tháng |
